Aksel B1200-6 A1700 C2150, 1350Kg, 2051 112x5 ET30
3-247554
med kuglebolte og bremsekabler
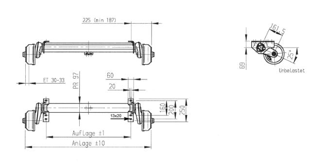
- A-mål (Auflage)/B-mål (mm)
- 1700
- C-mål (Anlage) (mm)
- 2150
- Type nr.
- B1200-6
- Bremsestørrelse
- 200x50mm
- PCD/Boltcirkel (mm)
- 112x5
- Bremse type nr.
- 2051
- Totalvægt enkelaksel
- 1350Kg
- Totalvægt tandem
- 2700Kg
- Type nr.
- B1200-6
- Fabrikat/Passer til
- AL-KO
- Original nr.
- 247554
- Produkt type
- Aksel med bremser
- Weight
- 51