Aksel B850-10 A1000 C1450, 1000Kg, 2051 100x4 ET30
3-24914802
med keglebolte og bremsekabler
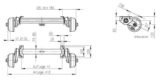
- A-mål (Auflage)/B-mål (mm)
- 1000
- C-mål (Anlage) (mm)
- 1450
- Type nr.
- B850-10
- Bremsestørrelse
- 200x50mm
- PCD/Boltcirkel (mm)
- 100x4
- Bremse type nr.
- 2051
- Totalvægt enkelaksel
- 1000Kg
- Totalvægt tandem
- 2000Kg
- Type nr.
- B850-10
- Fabrikat/Passer til
- AL-KO
- Original nr.
- 24914802
- Produkt type
- Aksel med bremser
- Weight
- 40