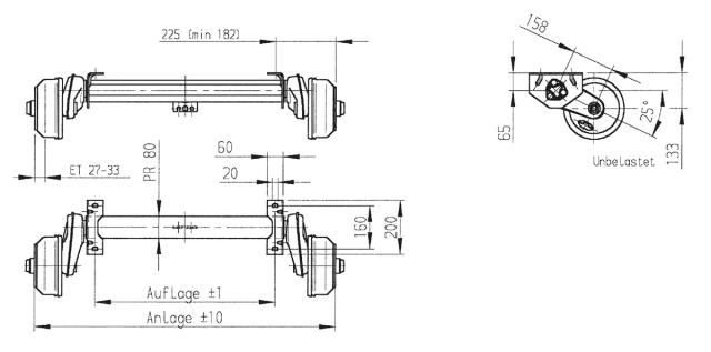
Aksel B850-10 A1550 C2000, 1000Kg, 2051 100x4 ET30
3-26705102
med keglebolte og bremsekabler
- A-mål (Auflage)/B-mål (mm)
- 1550
- C-mål (Anlage) (mm)
- 2000
- Type nr.
- B850-10
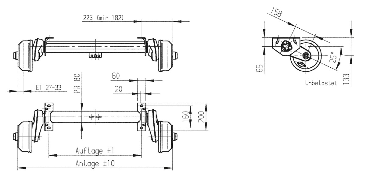
- Bremsestørrelse
- 200x50mm
- PCD/Boltcirkel (mm)
- 100x4
- Bremse type nr.
- 2051
- Totalvægt enkelaksel
- 1000Kg
- Totalvægt tandem
- 2000Kg
- Type nr.
- B850-10
- Fabrikat/Passer til
- AL-KO
- Original nr.
- 26705102
- Produkt type
- Aksel med bremser
- Weight
- 42