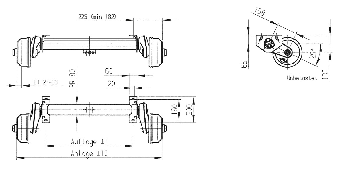
Aksel B850-10 A1900 C2350, 1000Kg, 2051 100x4 ET30
3-20034052
med keglebolte og bremsekabler
- A-mål (Auflage)/B-mål (mm)
- 1900
- C-mål (Anlage) (mm)
- 2350
- Type nr.
- B850-10
- Bremsestørrelse
- 200x50mm
- PCD/Boltcirkel (mm)
- 100x4
- Bremse type nr.
- 2051
- Totalvægt enkelaksel
- 1000Kg
- Totalvægt tandem
- 2000Kg
- Type nr.
- B850-10
- Fabrikat/Passer til
- AL-KO
- Original nr.
- 20034052
- Produkt type
- Aksel med bremser
- Weight
- 43