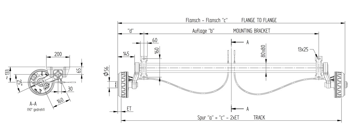
Aksel VGB10-M B1200 C1650 1050Kg 112x5 kugle 20-2425/1
8-B308174853
- A-mål (Auflage)/B-mål (mm)
- 1200
- C-mål (Anlage) (mm)
- 1650
- Type nr.
- VGB10-M
- Bremsestørrelse
- 200x50mm
- PCD/Boltcirkel (mm)
- 112x5
- Bremse type nr.
- 20-2425/1
- Totalvægt enkelaksel
- 1050Kg
- Totalvægt tandem
- 2100Kg
- Type nr.
- VGB10-M
- Fabrikat/Passer til
- Knott
- Original nr.
- B308174853
- Produkt type
- Aksel med bremser
- Weight
- 51,2