Aksel VGB10-M B1600 C2050 1050Kg 100x4 kegle 20-2425/1
8-B308174728
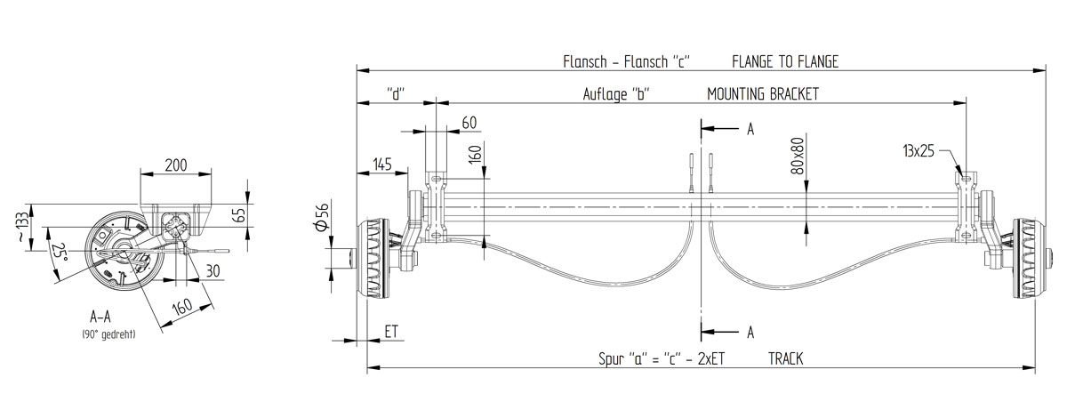
- A-mål (Auflage)/B-mål (mm)
- 1600
- C-mål (Anlage) (mm)
- 2050
- Type nr.
- VGB10-M
- Bremsestørrelse
- 200x50mm
- PCD/Boltcirkel (mm)
- 100x4
- Bremse type nr.
- 20-2425/1
- Totalvægt enkelaksel
- 1050Kg
- Totalvægt tandem
- 2100Kg
- Type nr.
- VGB10-M
- EAN
- 5712220014952
- Fabrikat/Passer til
- Knott
- Original nr.
- B308174728
- Produkt type
- Aksel med bremser
- Weight
- 54,8