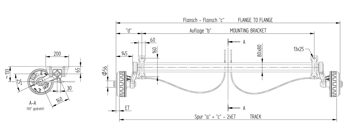
Aksel VGB13-M B1100 C1550 1350Kg 112x5 kugle 20-2425/1
8-B308234902
- A-mål (Auflage)/B-mål (mm)
- 1100
- C-mål (Anlage) (mm)
- 1550
- Type nr.
- VGB13-M
- Bremsestørrelse
- 200x50mm
- PCD/Boltcirkel (mm)
- 112x5
- Bremse type nr.
- 20-2425/1
- Totalvægt enkelaksel
- 1350Kg
- Totalvægt tandem
- 2700Kg
- Type nr.
- VGB13-M
- Fabrikat/Passer til
- Knott
- Original nr.
- B308234902
- Produkt type
- Aksel med bremser
- Weight
- 50,4