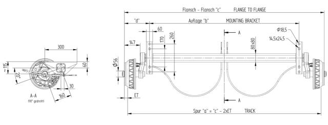
Aksel VGB15-MV/M B1000 C1470 1500Kg 112x5 kugle 20-2425/1
8-417179001
- A-mål (Auflage)/B-mål (mm)
- 1000
- C-mål (Anlage) (mm)
- 1470
- Type nr.
- VGB15MV/M
- Bremsestørrelse
- 200x50mm
- PCD/Boltcirkel (mm)
- 112x5
- Bremse type nr.
- 20-2425/1
- Totalvægt enkelaksel
- 1500Kg
- Totalvægt tandem
- 3000Kg
- Type nr.
- VGB15MV/M
- Fabrikat/Passer til
- Knott
- Original nr.
- 417179.001/ 417179001
- Produkt type
- Aksel med bremser
- Weight
- 54,6