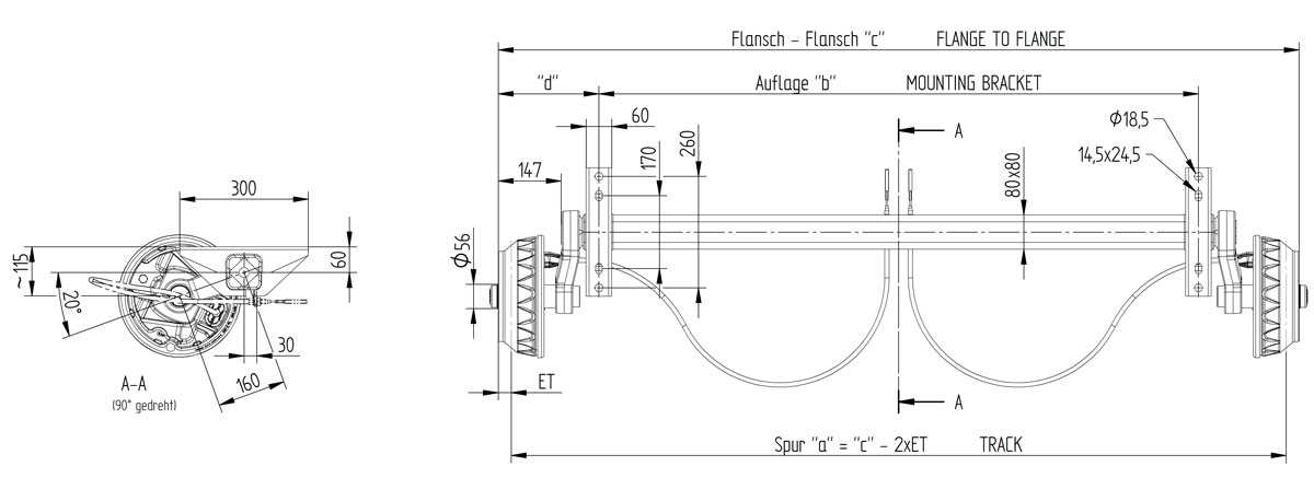
Aksel VGB18-MV B1500 C1970 1800Kg 112x5 kugle 25-2025
8-B308289995
- A-mål (Auflage)/B-mål (mm)
- 1500
- C-mål (Anlage) (mm)
- 1970
- Type nr.
- VGB18-MV
- Bremsestørrelse
- 250x50mm
- PCD/Boltcirkel (mm)
- 112x5
- Bremse type nr.
- 25-2025
- Totalvægt enkelaksel
- 1800Kg
- Totalvægt tandem
- 3500Kg
- Type nr.
- VGB18-MV
- Fabrikat/Passer til
- Knott
- Original nr.
- B308289995
- Produkt type
- Aksel med bremser
- Weight
- 81,1