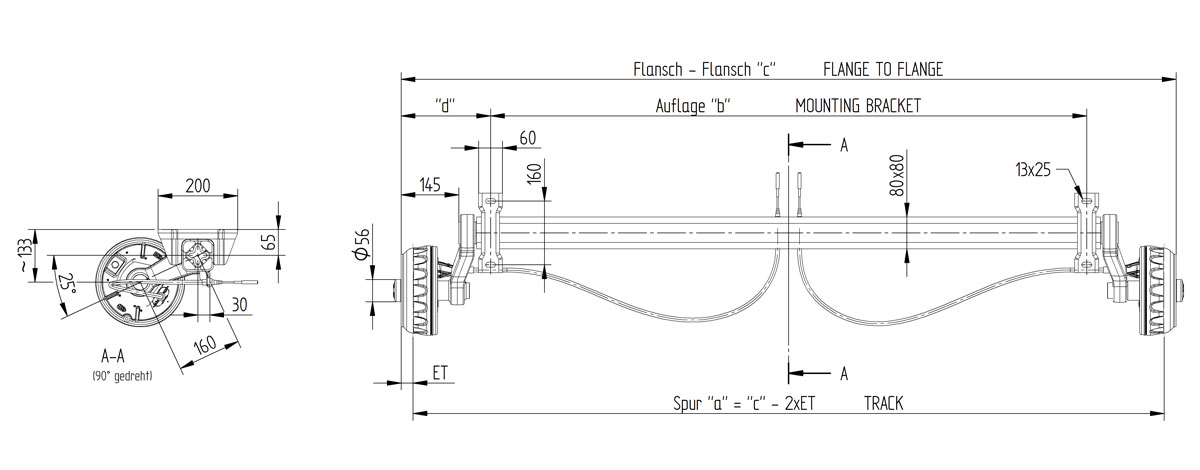
Aksel VGB8-M B1400 C1850 850Kg 112x5 kugle 20-2425/1
8-B308144729
- A-mål (Auflage)/B-mål (mm)
- 1400
- C-mål (Anlage) (mm)
- 1850
- Type nr.
- VGB8-M
- Bremsestørrelse
- 200x50mm
- PCD/Boltcirkel (mm)
- 112x5
- Bremse type nr.
- 20-2425/1
- Totalvægt enkelaksel
- 850Kg
- Totalvægt tandem
- 1700Kg
- Type nr.
- VGB8-M
- Fabrikat/Passer til
- Knott
- Original nr.
- B308144729
- Produkt type
- Aksel med bremser
- Weight
- 53