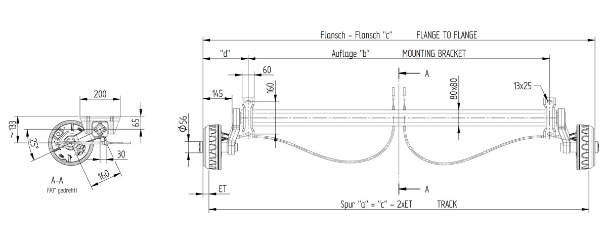
Aksel VGB8-M B1900 C2350 850Kg 100x4 kegle 20-2425/1
8-B308149914
- A-mål (Auflage)/B-mål (mm)
- 1900
- C-mål (Anlage) (mm)
- 2350
- Type nr.
- VGB8-M
- Bremsestørrelse
- 200x50mm
- PCD/Boltcirkel (mm)
- 100x4
- Bremse type nr.
- 20-2425/1
- Totalvægt enkelaksel
- 850Kg
- Totalvægt tandem
- 1700Kg
- Type nr.
- VGB8-M
- Fabrikat/Passer til
- Knott
- Original nr.
- B308149914
- Produkt type
- Aksel med bremser
- Weight
- 56,5