Aksel VG7-L B1000 C1360 special, 750Kg 100x4
8-6AB178001
kegle ET -5 til 35 (6AB178.001)
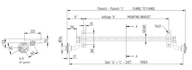
- A-mål (Auflage)/B-mål (mm)
- 1000
- C-mål (Anlage) (mm)
- 1360
- Type nr.
- Ubremset Knott aksel , VG7-L
- PCD/Boltcirkel (mm)
- 100x4
- Totalvægt enkelaksel
- 750Kg
- Type nr.
- Ubremset Knott aksel , VG7-L
- Fabrikat/Passer til
- Knott
- Original nr.
- 6AB178.001/ 6AB178001
- Produkt type
- Aksel uden bremser
- Weight
- 22