Aksel VG7-L B1100 C1460 special, 750Kg 100x4
8-6AB178003
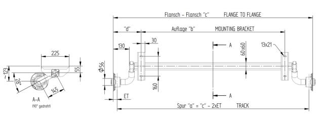
kegle ET -5 til 35 (6AB178.003)
- A-mål (Auflage)/B-mål (mm)
- 1100
- C-mål (Anlage) (mm)
- 1460
- Type nr.
- Ubremset Knott aksel , VG7-L
- PCD/Boltcirkel (mm)
- 100x4
- Totalvægt enkelaksel
- 750Kg
- Type nr.
- Ubremset Knott aksel , VG7-L
- Fabrikat/Passer til
- Knott
- Original nr.
- 6AB178.003/ 6AB178003
- Produkt type
- Aksel uden bremser
- Weight
- 23