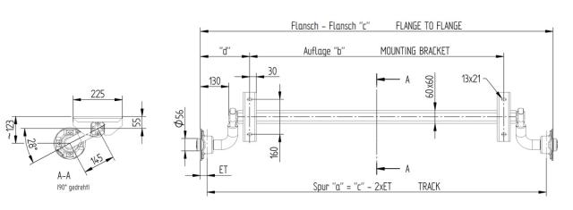
Aksel VG7-L B1300 C1750, 750Kg 100x4
8-6A2036020
kegle ET -5 til 35 (6A8712.011)
- A-mål (Auflage)/B-mål (mm)
- 1300
- C-mål (Anlage) (mm)
- 1750
- Type nr.
- Ubremset Knott aksel , VG7-L
- PCD/Boltcirkel (mm)
- 100x4
- Totalvægt enkelaksel
- 750Kg
- Type nr.
- Ubremset Knott aksel , VG7-L
- Fabrikat/Passer til
- Knott
- Original nr.
- 6A2036.020/ 6A2036020
- Produkt type
- Aksel uden bremser
- Weight
- 24,5