Søg her
Log ind
Log ind
Danish
Danish
Bremsedele
Bremsebakkesæt
Reparationssæt
Bremsekabler
Bremsekabeltilbehør
Bremsetromler
Bremsejustering
Bakspærre
Knæled
Bremsefjedre
Navmøtrikker
Navkapsler
Ankerplader
AL-KO AAA
Knott ANS
Knott hydraulik
Bremsestænger
Løbenav
Hjulbolte og møtrikker
Hjullejer
Hjullejesæt
Hjullejer, løse
Tætningsring
Låseringe
Navmøtrikker
Navkapsler
Påløbsbremser
Påløbsbremser, komplet
Støddæmpere
Gummibælge
Håndbremser
Håndbremse gasfjeder
Fjedercylinder
Sikkerhedswire
Trækrør
Bøsninger trækrør
Udvekslingsled
Bremsestænger
Støttehjulsholder
Klembøjler
Stikholdere
Overtræk til påløbsbremse
Kuglekoblinger
Kuglekobling ubremset
Kuglekobling bremset
Stabilisatorkoblinger
Låse
Reservedele til koblinger
Soft Dock
Lygter
Lygtesæt
Baglygter
Markeringslygter
Nummerpladelygter
Baklygter
Tågelygter
Bremselygter
Arbejdslygter
Lygtebom
Reflekser
Ledningsnet
Multistik
Pærer
Lystester
Stik
Stik
Stikdåse
Holdere til stikdåse
Adapter
LED adapter
Spiralkabel
Kabler
Multistik
Ledningsnet
Stikholdere
Trailerkabel holder
Spil
12V elspil
24V elspil
Manuelle spil
Fjernbetjeninger
Monteringsplader
Covers
Batterikasse
Quick-Connector
Taljeblok
Wire
Rullestyr
Kroge
Syntetisk reb
Alu-styr til reb
Bånd til manuelle spil
Relæer og kontrolbokse
AL-KO reservedele
EASY fjernbetjeninger
Støttehjul
Støttehjul
Klembøjler
Reservedele
Støttehjulskonsoller
Støttehjulstraverse
Støtteben
Tilbehør
Presenninger
Presenningsbøjler
Elastiksnor
Trailernet
Koblingslåse
Lukkebeslag
Skærme
Hjul
Fælge
Hjulbolte og møtrikker
Reservehjulsholdere
Værktøjskasser
Ramper
Surringsbeslag
Surringsstropper
Støtteben
Stopkiler
Trækkugler
Kuglebeskyttere
Dokumentholder
Hydraulikcylinder
Cykelholder
Caravantilbehør
Bådtrailertilbehør
Gasfjedre
NORDIC TrailerParts gasfjedre
Universal gasfjedre
Tilbehør til gasfjedre
Aksler
Aksler med bremse
Aksler uden bremse
Hjulstøddæmpere
Hjulstøddæmperholder
Lagersalg
Info
Find den rigtige reservedel
FAQ webshop
Om os
Kontakt os
Salgs- og leveringsbetingelser
Log ind
Log ind
Danish
Danish
Produkter
Bremsedele
Løbenav
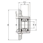
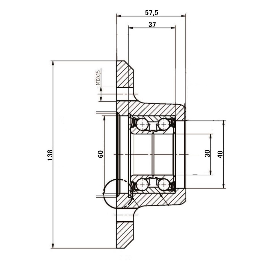
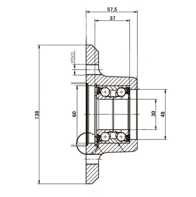
Nav AL-KO 750Kg 100x4 med leje, OPTIMA
Nav AL-KO 750Kg 100x4 med leje, OPTIMA
Forrige
Næste
Nav AL-KO 750Kg 100x4 med leje, OPTIMA
4-1650723
(1224800) Støbenummer: 1650460
PCD/Boltcirkel
100x4/M12x1.5
Hjulleje (kompaktleje/lille leje)
DAC3060
Med hjulleje
Ja
Støbenummer
1650460
Antal pr. aksel
2 stk.
Fabrikat/Passer til
AL-KO
Original nr.
1650723
Produkt type
Nav
Weight
1,9
Bremsedele
Bremsedele
Bremsebakkesæt
Reparationssæt
Bremsekabler
Bremsekabler
AL-KO med gevind
AL-KO hurtigmontage
AL-KO gammel type
AL-KO Ø300mm
BPW -7 RASK
BPW -5 og -6 RASK
Knott med gevind
Knott hurtigmontage
Knott rustfri
Knott hydraulik
WAP standard
WAP humbaur
Peitz
Ifor Williams/Knott
Bremsekabeltilbehør
Bremsekabeltilbehør
Bremsetromler
Bremsejustering
Bakspærre
Knæled
Bremsefjedre
Navmøtrikker
Navkapsler
Ankerplader
AL-KO AAA
Knott ANS
Knott hydraulik
Bremsestænger
Løbenav
Hjulbolte og møtrikker
Hjullejer
Hjullejer
Hjullejesæt
Hjullejer, løse
Tætningsring
Låseringe
Navmøtrikker
Navkapsler
Påløbsbremser
Påløbsbremser
Påløbsbremser, komplet
Støddæmpere
Gummibælge
Håndbremser
Håndbremse gasfjeder
Fjedercylinder
Sikkerhedswire
Trækrør
Bøsninger trækrør
Udvekslingsled
Bremsestænger
Støttehjulsholder
Klembøjler
Stikholdere
Overtræk til påløbsbremse
Kuglekoblinger
Kuglekoblinger
Kuglekobling ubremset
Kuglekobling bremset
Stabilisatorkoblinger
Låse
Reservedele til koblinger
Soft Dock
Lygter
Lygter
Lygtesæt
Baglygter
Baglygter
Alle baglygter
NORDIC TrailerParts
NORDIC TrailerParts
NTP type 2
NTP baglygter
NTP lygtesæt
NORDIC TrailerParts baglygter
AJ.BA
AJ.BA
AJ.BA RL80
AJ.BA FP15
AJ.BA FP31
AJ.BA FP11
AJ.BA baglygter
Aspöck
Aspöck
Aspöck Multipoint 1
Aspöck Multipoint 2
Aspöck Multipoint 3
Aspöck Multipoint 4
Aspöck Multipoint 5
Aspöck Minipoint
Aspöck Midipoint 1
Aspöck Midipoint 2
Aspöck Earpoint 1
Aspöck Earpoint 3
Aspöck Earpoint 4
Aspöck Earpoint LED
Aspöck Eurofab
Aspöck Roundpoint
Humbaur vandret
Humbaur lodret
Aspöck baglygter
Jokon
Jokon
Jokon 735
Jokon 730
Jokon 727
Jokon 726
Jokon 720
Jokon 280
Jokon 250
Jokon 915/930
Jokon 595
Jokon 610
Jokon 830
Jokon 206
Jokon 205
Jokon 1034/2029
Jokon 516
Jokon 2002
Jokon 710
Jokon 810
Jokon 561/562
Jokon 2000
Øvrige Jokon
Jokon baglygter
Radex
Radex
Radex 2800
Radex 5900/5901
Radex 6400
Radex 8500
Radex 2900
Radex 6800/6804
Radex baglygter
Fristom
NTP type 2
NTP baglygter
NTP lygtesæt
AJ.BA RL80
AJ.BA FP15
AJ.BA FP31
AJ.BA FP11
Aspöck Multipoint 1
Aspöck Multipoint 2
Aspöck Multipoint 3
Aspöck Multipoint 4
Aspöck Multipoint 5
Aspöck Minipoint
Aspöck Midipoint 1
Aspöck Midipoint 2
Aspöck Earpoint 1
Aspöck Earpoint 3
Aspöck Earpoint 4
Aspöck Earpoint LED
Aspöck Eurofab
Aspöck Roundpoint
Humbaur vandret
Humbaur lodret
Fristom FT-270 LED
Jokon 735
Jokon 730
Jokon 727
Jokon 726
Jokon 720
Jokon 280
Jokon 250
Jokon 915/930
Jokon 595
Jokon 610
Jokon 830
Jokon 206
Jokon 205
Jokon 1034/2029
Jokon 516
Jokon 2002
Jokon 710
Jokon 810
Jokon 561/562
Jokon 2000
Radex 2800
Radex 5900/5901
Radex 6400
Radex 8500
Radex 2900
Radex 6800/6804
Øvrige baglygter
Markeringslygter
Markeringslygter
Alle markeringslygter
Hvide lygter
Gule lygter
Røde lygter
Hvid/Røde lygter
Slingrelygter
NTP LED
NTP LED slingrelygter
Aspöck Flexipoint 1
Aspöck Flexipoint 3
Aspöck Flatpoint 2
Aspöck Superpoint
Fristom FT-140 LED
Jokon 2002 LED
Jokon 2010 LED
Jokon 2012 LED
Jokon 2013 LED
Jokon 24-2 LED
Jokon 251 LED
Jokon 130
Jokon 230 LED
Jokon 1006
Jokon 2000
Jokon 272
Jokon 2020 LED
Jokon 2010 hvid/rød
Jokon 2011 LED
Jokon 07
Jokon 39
Jokon 2000 hvid/rød
Radex 910
Radex 929 LED
Radex 905
Radex 935 LED
Øvrige markeringslygter
Nummerpladelygter
Baklygter
Tågelygter
Bremselygter
Arbejdslygter
Lygtebom
Reflekser
Ledningsnet
Multistik
Pærer
Lystester
Stik
Stik
Stik
Stikdåse
Holdere til stikdåse
Adapter
LED adapter
Spiralkabel
Kabler
Multistik
Ledningsnet
Stikholdere
Trailerkabel holder
Spil
Spil
12V elspil
24V elspil
Manuelle spil
Fjernbetjeninger
Monteringsplader
Covers
Batterikasse
Quick-Connector
Taljeblok
Wire
Rullestyr
Kroge
Syntetisk reb
Alu-styr til reb
Bånd til manuelle spil
Relæer og kontrolbokse
AL-KO reservedele
EASY fjernbetjeninger
Støttehjul
Støttehjul
Støttehjul
Klembøjler
Reservedele
Støttehjulskonsoller
Støttehjulstraverse
Støtteben
Tilbehør
Tilbehør
Presenninger
Presenningsbøjler
Elastiksnor
Trailernet
Koblingslåse
Lukkebeslag
Skærme
Hjul
Fælge
Hjulbolte og møtrikker
Reservehjulsholdere
Værktøjskasser
Ramper
Surringsbeslag
Surringsstropper
Støtteben
Stopkiler
Trækkugler
Kuglebeskyttere
Dokumentholder
Hydraulikcylinder
Cykelholder
Caravantilbehør
Caravantilbehør
AL-KO ATC
Knott ETS
AL-KO caravanmover
Stabilisatorkoblinger
Reservehjulsholdere
Donkrafte
AL-KO dækplader 150V og 200V
Tear Solution
Bådtrailertilbehør
Bådtrailertilbehør
Kølruller
Sideruller
Stævnstøtter
Bremseskyllesystem
Gasfjedre
Gasfjedre
NORDIC TrailerParts gasfjedre
Universal gasfjedre
Tilbehør til gasfjedre
Aksler
Aksler
Aksler med bremse
Aksler uden bremse
Hjulstøddæmpere
Hjulstøddæmperholder
Lagersalg
Info
Info
Find den rigtige reservedel
Find den rigtige reservedel
Find de rigtige bremsebakker
Find de rigtige bremsekabler
Find den rigtige bremsetromle
Find den rigtige bremsereservedel
Find den rigtige påløbsbremse og reservedel
Find den rigtige aksel
Find den rigtige gasfjeder
FAQ webshop
Om os
Kontakt os
Salgs- og leveringsbetingelser
Favoritlisten er opdateret